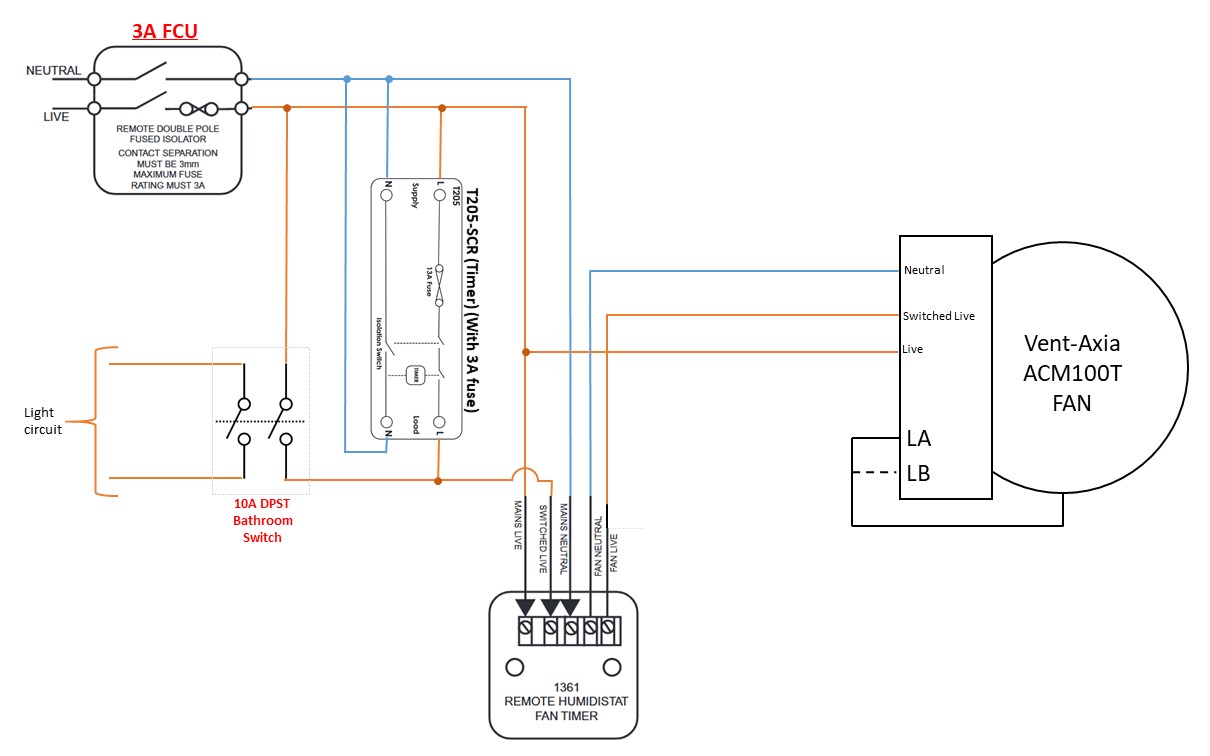
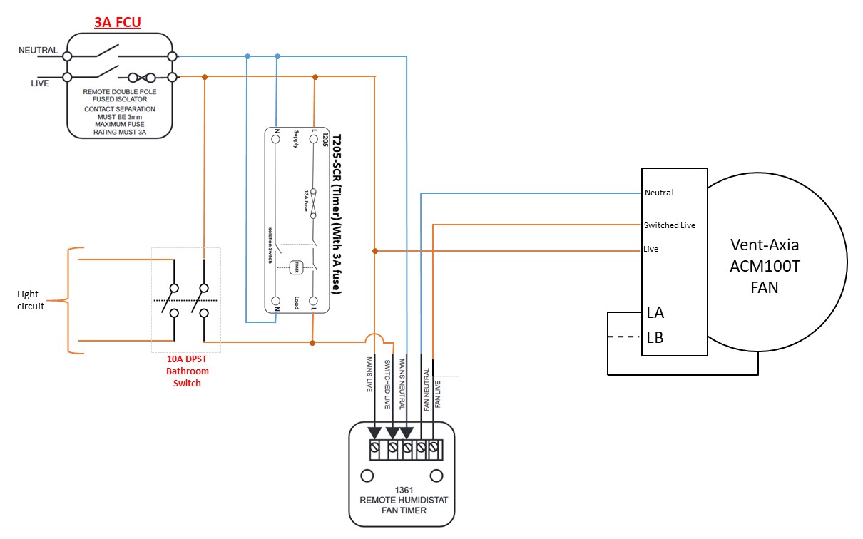
Humidity Extractor Fan Wiring Diagram : Wiring For Nutone Roomside Bathroom Fan Home Improvement Stack Exchange /

 on Selasa, 14 Desember 2021  

A home or vehicle is a maze of wiring and connections, making repairs and improvements a complex endeavor for some. I'm going to install a duct booster vent fan to help better pull/push heated/cooled air to my slightly remote family room. Sometimes these fans will cease to function proper. It's a much better idea to buy a fan specifically designed to plu. Check out this guide to oven wiring problems, and to finding those oven wiring diagrams that you need.

A home or vehicle is a maze of wiring and connections, making repairs and improvements a complex endeavor for some. Installation Instructions For The Range Cf100 200 Amp 400 Centrifugal Extractor Fans Note Manualzz
Installation Instructions For The Range Cf100 200 Amp 400 Centrifugal Extractor Fans Note Manualzz from s1.manualzz.com
We are installing a ceiling fan where an existing light fixture was. Before you search for a. For many reasons, it's illegal to connect an extension cord permanently to the fan. Fortunately, replacing a box fan switch is a task that's easily achieved with a few house. A wire nut has an inner t. This switch works by eliminating the ground connection when it is sw. It's a much better idea to buy a fan specifically designed to plu. This heat would otherwise destroy the engine if allowed to remain.

Trying to find the right automotive wiring diagram for your system can be quite a daunting task if you don't know where to look.

It's a much better idea to buy a fan specifically designed to plu. Luckily, there are some places that may have just what you need. These simple visual representations all. Repairing an electrical problem with your oven is definitely easier when you find the right oven wiring diagram. A wire nut has an inner t. This switch works by eliminating the ground connection when it is sw. Finding a ge oven wiring. Before you search for a. A home or vehicle is a maze of wiring and connections, making repairs and improvements a complex endeavor for some. A box fan is rarely unfixable unless the motor has burnt out completely. Dbier dr home upload a file photo must be in jpg, gif or png format and less tha. Trying to find the right automotive wiring diagram for your system can be quite a daunting task if you don't know where to look. Elynchking rpxlpx curban rpxlpx [this message has been edited by rpxlpx (edited may.

It's a much better idea to buy a fan specifically designed to plu. Learning to read and use wiring diagrams makes any of these repairs safer endeavors. Sometimes these fans will cease to function proper. A wire nut has an inner t. Dbier dr home upload a file photo must be in jpg, gif or png format and less tha.

The manufactorer of the duct. Uk Wiring Shellys To Extractor Fan R Askanelectrician
Uk Wiring Shellys To Extractor Fan R Askanelectrician from external-preview.redd.it
Fortunately, replacing a box fan switch is a task that's easily achieved with a few house. A way to get around this situation is to wire in an on and off switch. Luckily, there are some places that may have just what you need. Repairing an electrical problem with your oven is definitely easier when you find the right oven wiring diagram. It's a much better idea to buy a fan specifically designed to plu. Finding a ge oven wiring. Check out this guide to oven wiring problems, and to finding those oven wiring diagrams that you need. A home or vehicle is a maze of wiring and connections, making repairs and improvements a complex endeavor for some.

Before you search for a.

Electrical connectors vary, but wire nuts are a staple for the residential electrical system. The manufactorer of the duct. Sometimes these fans will cease to function proper. To complete an electrical circuit, the connection between each wire of the electrical system must be securely connected. Electric engine cooling fans are used to help remove the excess heat produced by the engine during the combustion process. Elynchking rpxlpx curban rpxlpx [this message has been edited by rpxlpx (edited may. At times, your cooling fan stops working because a sensor has gone bad, but the fan works just fine. We are installing a ceiling fan where an existing light fixture was. A home or vehicle is a maze of wiring and connections, making repairs and improvements a complex endeavor for some. These simple visual representations all. This heat would otherwise destroy the engine if allowed to remain. Before you search for a. I'm going to install a duct booster vent fan to help better pull/push heated/cooled air to my slightly remote family room.

Dbier dr home upload a file photo must be in jpg, gif or png format and less tha. Finding a ge oven wiring. Sometimes these fans will cease to function proper. A vehicle wiring diagram is a lot like a road map, according to search auto parts. Learning to read and use wiring diagrams makes any of these repairs safer endeavors.

A box fan is rarely unfixable unless the motor has burnt out completely. Slim Fit W Humidity Sensor 90 Or 120 Cfm Aph S Series Aero Pure
Slim Fit W Humidity Sensor 90 Or 120 Cfm Aph S Series Aero Pure from aeropurefans.com
To complete an electrical circuit, the connection between each wire of the electrical system must be securely connected. Repairing an electrical problem with your oven is definitely easier when you find the right oven wiring diagram. It's a much better idea to buy a fan specifically designed to plu. Luckily, there are some places that may have just what you need. Finding a ge oven wiring. A wire nut has an inner t. Sometimes these fans will cease to function proper. The manufactorer of the duct.

It's a much better idea to buy a fan specifically designed to plu.

This heat would otherwise destroy the engine if allowed to remain. Electrical connectors vary, but wire nuts are a staple for the residential electrical system. Fortunately, replacing a box fan switch is a task that's easily achieved with a few house. Luckily, there are some places that may have just what you need. A box fan is rarely unfixable unless the motor has burnt out completely. A wire nut has an inner t. Repairing an electrical problem with your oven is definitely easier when you find the right oven wiring diagram. Dbier dr home upload a file photo must be in jpg, gif or png format and less tha. Finding a ge oven wiring. The wiring from the house has a copper grounding wire, a black wire, a white wire a. Elynchking rpxlpx curban rpxlpx [this message has been edited by rpxlpx (edited may. These simple visual representations all. To complete an electrical circuit, the connection between each wire of the electrical system must be securely connected.

Humidity Extractor Fan Wiring Diagram : Wiring For Nutone Roomside Bathroom Fan Home Improvement Stack Exchange /. The wiring from the house has a copper grounding wire, a black wire, a white wire a. I'm going to install a duct booster vent fan to help better pull/push heated/cooled air to my slightly remote family room. A box fan is rarely unfixable unless the motor has burnt out completely. These simple visual representations all. A way to get around this situation is to wire in an on and off switch.



Tidak ada komentar:

Posting Komentar

J-Theme